PAGE TOP

購入カートを見る
  キーワード 

  機器名 
 メーカー名 
 仕様  
 型式  

商品情報



画像1  カート
商品NO 1815 商品名 マスフローコントローラー1000シリーズ メーカー エフコン(株) 管理 エフコン(株)
型式 C1100 価格 商品問合せ
特徴 ●マスフローコントローラーの基本機能に特化した低価格モデル。
●基本性能を追求した独自技術により、コストを抑え、製品の性能と信頼性を高めています。
●据置型専用電源【PA01】に加え、パネルマウント型専用電源【PA01P】もご用意しました。
●コンパクトサイズ
●スタート時のフローサージ現象(オーバーシュート)を抑制(30秒以上のインターバルが必要)
●入出力:アナログ(0~5VDC)
●医薬・培養・バイオ・農業・溶接・蒸着コーティング・分析・各種研究や実験など幅広い分野でご使用頂けます。
カタログ
仕様 流量(N2換算流量):100SLM
対応ガス種:Air・N2
バルブタイプ:NO:ノーマルオープン(メーターの場合は対象外)
制御流量範囲:5~100% F.S(メーターの場合は対象外)
流量精度:±2% F.S(精度保証範囲15~35℃)
流量設定信号:0.25~5VDC(メーターの場合は対象外)
流量出力信号:0~5VDC
再現性:±0.5% F.S
応答時間:≦15sec
必要差圧:200~300KPa
耐圧力:1MPa(G)
使用保証温度:5~50℃、85%RH以下
外部リーク:1×10-7Pa・m3/sec He
取付姿勢:指定なし(自由)
供給電源電圧、消費電流:+15VDC:60mA、-15VDC:150mA
通信方式:アナログ:0~5VDC
接ガス部材質:SUS316L、PTFE、フッ素ゴム
シール部材質:フッ素ゴム
アクチュエータ方式:サーマル(メーターの場合は対象外)
表面処理:機械加工仕上げ
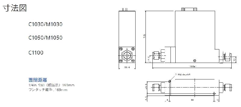
接続継手:1/4in.SWL(相当品)、ワンタッチ継手、その他の継手形状についてはご相談下さい。
備考 管理NO

外観写真

外形寸法

品番表示